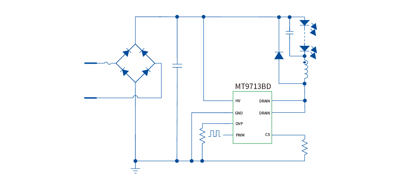
• DESCRIPTION

    MT9713BD is a high precision, non-isolated, BUCK, constant current LED driver with wide analog dimming range. Without any peripheral RC components, PWM dimming signal can be directly given to the chip to realize no flicker analog dimming.

    MT9713BD has good dimming consistency, and the moisture-proof OVP can be realized to the full range of dimming.

    The typical standby current is 100uA, which can achieve low power consumption.

    With excellent line regulation and load regulation, the chip is suitable for applications with 85Vac~265Vac wide input voltage range.. MT9713BD integrates high precision current sensing circuit, which is ideal for high precision LED constant current output and high frequency operation.

    Embedded with high voltage startup circuit and integrated 500V power MOSFET, VCC capacitor and startup resistor are not needed. The peripheral circuit is extremely simplified, and the BOM cost is reduced accordingly.

    MT9713BD supports various protections, such as moisture-proof OVP, thermal regulation, output short circuit protection, etc., to improve system reliability.

  • FEATURES
    • Full range analog dimming without flicker

    • Supports 100%~0.4% analog dimming

    • Typical standby current: 100uA

    • No startup resistor and VCC capacitor

    • Adjustable moisture-proof OVP

    • No flicker at low line voltage

    • Irrelevant OVP to inductor and output current

    • OVP for full range dimming

    • Thermal regulation function

    • Available in DIP7 package

APPLICATIONS
  • LED bulb

  • LED ceiling lamp

  • Other LED lighting applications

  • dianlutu1400636pxMT9713BD-737.jpg