• 产品概述

    MT7755是一款兼容可控硅调光的高精度LED恒流控制芯片,主要应用于非隔离LED电源系统。MT7755支持高功率因数的应用,PF可达到0.9以上。

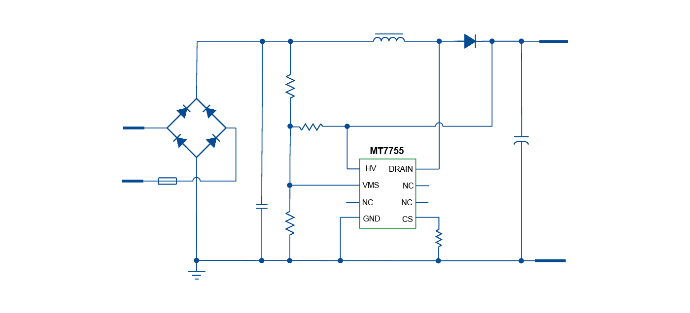
    MT7755主要用于BOOST电源架构,具有专利的线性补偿电路可实现高精度LED恒流,并且具有广泛的兼容性。

    MT7755采用自主技术实现了无VCC电容以及启动电阻,且芯片内置600V高压功率MOS管,外围电路简单,系统成本低。

    临界导通模式确保了MT7755可以控制功率开关在电感电流为零时刻开启,减小了功率管的开关损耗,确保了系统具有90%以上的峰值效率。对电感量变化不敏感。

    MT7755同时实现了各种保护功能,包括逐周期过流保护(OCP)、LED短路保护(SCP)、可调LED开路保护(OVP)以确保系统可靠地工作。

    MT7755同时实现了高精度过热降功率(OTR)功能,典型离散性可控制在±5℃。

  • 产品特性
    • 无VCC电容以及启动电阻
    • 支持高PF应用,PF达到0.9以上

    • 宽范围的调光兼容性

    • 峰值大于90%的效率

    • 调光曲线符合NEMA SSL6标准

    • 内置600V功率MOS管

    • 高精度LED恒流电流

    • 逐周期峰值电流控制

    • 前沿消隐控制

    • 支持各种保护:LED短路保护、LED开路保护、欠压锁定保护(UVLO)、高精度过温降功率功能(OTR)

    • SOP8封装

典型应用
  • LED灯丝灯,球泡灯,信号灯,景观灯等

  • 其他LED驱动应用及通用恒流源

  • qudongxinpiandianyuanqudongxilie1400636pxMT7755.jpg