• 产品概述

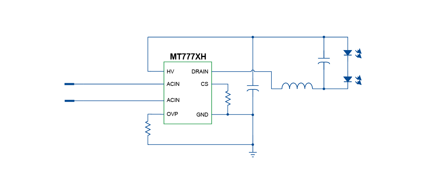
    MT777XH是一款集成整流桥和超快恢复续流二极管的,工作于临界导通模式(Critical Conduction Mode, CRM)的高精度LED恒流驱动芯片,主要应用于非隔离降压型LED电源系统。

    MT777XH适用于85Vac~265Vac宽电压输入范围应用,具有可调OVP,且OVP引脚具有使能控制功能,可满足开关调色以及感应灯应用。

    MT777XH具有高精度的快速电流采样电路,支持高频应用且具有优异的线性调整率。工作在临界导通模式,使得输出电流不随电感感值变化,且具有良好的负载调整率。

    MT777XH内部集成了各种保护功能,包括LED短路保护和过温自动调节等,以确保系统稳定性。

    MT777XH内置整流桥,续流二极管,高压功率MOS管,采用自主设计的高压片内供电方案,无需VCC电容及启动电阻,极大地精简了外围电路,降低了系统成本。

  • 产品特性
    • 内部集成整流桥

    • 内置超快恢复续流二极管

    • 无VCC电容及启动电阻

    • 支持高频开关应用,可使用贴片电感

    • 临界导通模式,对电感变化量不敏感

    • 可调防潮LED过压保护(OVP)

    • 低母线电压下不闪灯

    • OVP引脚具有使能控制,可用于开关调色及感应灯应用

    • 输出电流精度:±5%

    • LED短路保护

    • 欠压锁定保护(UVLO)

    • 通过OVP脚,设置不同输出过压保护阈值

    • 过温自动调节

    • ASOP7封装

典型应用
  • LED球泡灯,射灯等

  • LED灯管

  • 其他LED驱动应用及通用恒流源

  • qudongxinpiandianyuanqudongxilie1400636pxMT7772H.jpg