• 产品概述

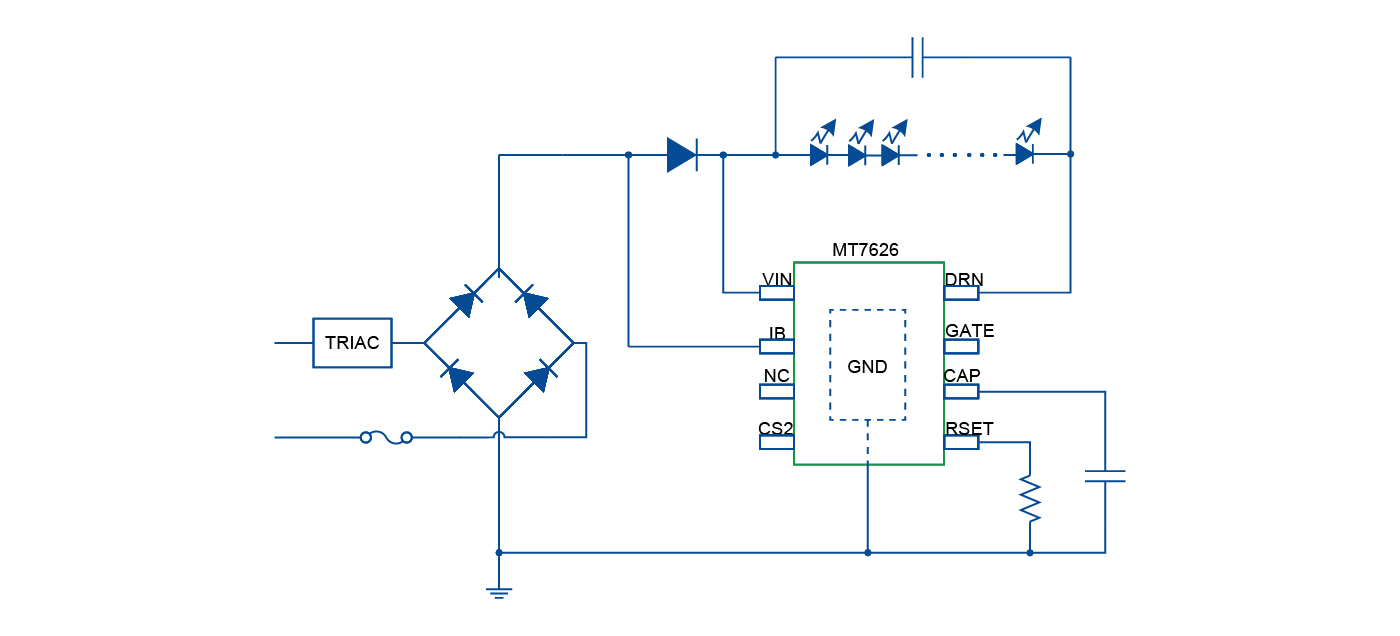
    MT7626是一款高效率支持可控硅调光的线性LED恒流驱动芯片。MT7626支持前/后沿调光器,输出电流精度高,且没有EMI问题。MT7626外围电路十分精简,输出电流可由外置电阻RSET灵活设置,可广泛应用于市电输入的高功率因数的各类光源及灯具驱动。

    MT7626内置效率提高电路,通过亿万28网页在线玩-亿万28入口网页版-亿万28网页版网址-亿万28赌博-亿万28下载链接-亿万网站pg-亿万e网址pg-亿万28赏金女王科技专利的控制算法,实现了良好的可控硅调光器兼容性,并可达到84%的系统效率。内置线性补偿电路,输出电流具有良好的线性调整率,且MT7626具有外部扩流芯片(MT7623)驱动端口,可配置外部扩流芯片,从而提高单颗芯片所支持的功率。

    MT7626内置过温调节功能。当芯片温度过高时,自动降低输出电流,提高系统的可靠性。

    MT7626系统外围无需电感或变压器等磁性元器件,系统结构简单,外围元器件极少,方案成本极低。

  • 产品特性
    • 宽范围的可控硅调光兼容性

    • 支持前/后沿调光器

    • 系统效率高达84%

    • 具有外部扩流芯片驱动端口,可提高单颗芯片所支持的功率

    • 良好的线性调整率

    • 内置高压启动电路

    • 无VCC电容,方案成本极低

    • 无需磁性元件

    • ±5% LED输出电流精度

    • LED电流可外部设定

    • 过温调节功能

    • ESOP8封装

典型应用
  • GU10/E27/E14 LED球泡灯、灯丝灯

  • LED筒灯、LED吸顶灯

  • 其它LED照明

  • qudongxinpianxianxingqudongxilie1400636pxMT7626.jpg