-
产品概述
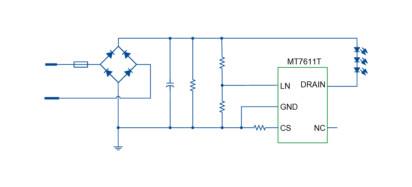
MT7611T是一款高压单段线性恒流LED驱动芯片,输出电流精度高,无EMI问题,输出电流由外置电阻灵活设置。
MT7611T内部集成高压功率管和高压供电电路,外围电路简单。系统外部无需电感或变压器等磁性元件即可轻松通过EMI测试,系统结构简单、BOM成本低。
MT7611T集成线电压补偿引脚,具有良好的线性调整率,能实现输入功率恒定。另外,MT7611T具有过温调节功能,在芯片温度过高时自动降低输出电流,提高了系统的可靠性。
-
产品特性
外围电路简单,成本低
内置500V功率管
LED电流可以外部灵活设置
LED输出电流精度:±5%
外置线电压补偿功能,可实现输入功率恒定
应用系统无EMI问题
过温自动调节功能
采用SOT89-5封装
展开全部
典型应用
-
LED蜡烛灯,LED灯丝灯
-
LED日光灯,LED面板灯
-
LED球泡灯,LED射灯
-
其他LED照明产品