-
产品概述
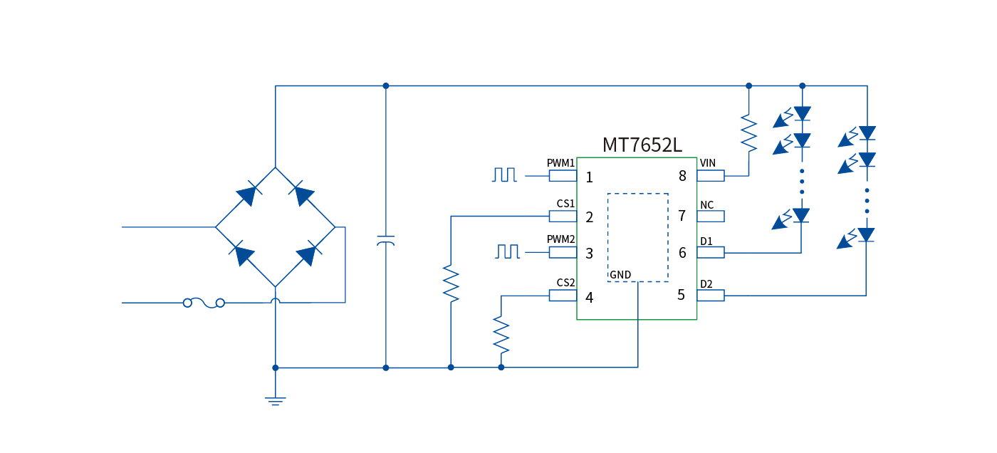
MT7652H是高集成度的线性可调光LED恒流驱动芯片,主要作为各类调光光源及灯具的驱动。
MT7652H外部无需磁性元件,LED驱动电路体积小、成本低,并符合EMI标准。
MT7652H支持PWM调光信号,在芯片内部实现PWM信号与内部参考电平的转换,调光平滑无频闪。
MT7652H内置线电压补偿功能,当输入线电压过高时,将自动减小输出电流,保证207Vac~253Vac范围内输入功率基本不随线电压变化。
MT7652H具有过温调节功能,当芯片温度过高时,自动降低输出电流,从而保证系统的可靠性。
-
产品特性
外围电路简单,驱动电路体积小、成本低
支持PWM调光信号,内部转换为模拟调光,无频闪
集成高压启动电路,超快LED启动
内置500V高压MOS管
LED电流外部可设定
±5%LED输出电流精度
支持1%调光深度,0.1%的调光分辨率
过温自动调节功能
内置线电压补偿功能
适用于230Vac线性调光应用
ESOP8封装
展开全部
典型应用
-
智能LED灯丝灯
-
智能LED球泡灯
-
其他智能LED照明,如红外、雷达、蓝牙、WiFi等应用的球泡灯、吸顶灯、投光灯等