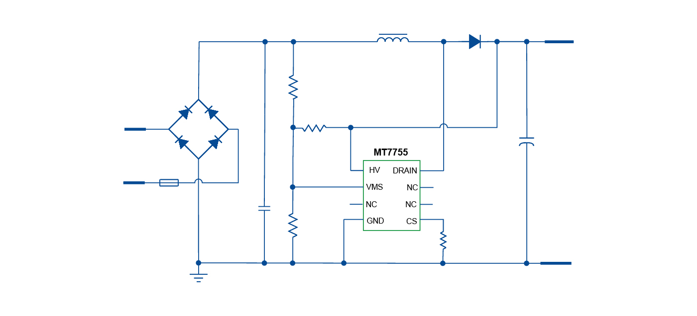
• DESCRIPTION

    MT7755 is a high current precision TRIACdimmable LED driver. It’s mainly applied for non-isolated LED power systems. MT7755 supports high power factor application (PF can

    reach 0.9 or higher).

    MT7755 is based on BOOST topology. Innovative control technique is used to achieve excellent constant current performance and wide range dimmer compatibility.

    MT7755 integrates high voltage supply circuit, no requirement of VCC capacitor and startup resistor. It also integrates a 600V MOSFET, which greatly reduces BOM cost and peripheral components.

    Critical conduction mode (CRM) ensures that MT7755 turns the internal MOSFET on, when the inductor current reaches zero, reducing the power MOSFET switching loss, and achieving more than 90% efficiency. The system is insensitive to the inductance changes.

    MT7755 provides various protections, such as over current protection (OCP), short circuit protection (SCP), over voltage protection (OVP), etc., to ensure system reliability.

    Meanwhile, the particular over-temperature regulation (OTR) module is designed to reduce output current at high temperature with a high precision regulation range at ±5˚C.






  • FEATURES
    • No VCC capacitor and startup resistor

    • Supports high PF application, which reaches 0.9 or higher.

    • Wide range of dimmer compatibility

    • Up to 90% high efficiency

    • Dimming curve is compliant with NEMA SSL6

    • Embedded with 600V power MOSFET

    • Highly accurate constant LED current

    • Cycle-by-cycle peak current control

    • Leading edge blanking technique

    • Supports various protections:LED short circuit protection,LED over voltage protection,Over temperature regulation,Under-voltage lockout protection

    • Available in SOP8 package

APPLICATIONS
  • LED bulb, LED tube, LED signal and landscape lamp

  • General purpose constant current source

  • qudongxinpiandianyuanqudongxilie1400636pxMT7755.jpg