• DESCRIPTION

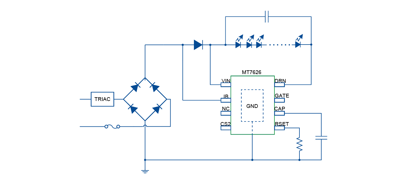
    MT7626 is a high efficiency TRIAC dimmable linear constant current LED driver. MT7626 supports front/back edge dimmer with high output current accuracy and no EMI issues. The peripheral circuit is extremely simplified. Output current can be flexibly adjusted by external resistor RSET. Widely apply to various LED lighting applications with high power factor.

    MT7626 is designed with an internal efficiency improvement circuit and uses MAXIC proprietary control algorithm to achieve good compatibility of TRIAC dimmer, as well as up to 84% system efficiency. The internal line compensation circuit has good line regulation and MT7626 can drive external current expansion chip (MT7623) to enhance the output power.

    Moreover, MT7626 is designed with thermal regulation function. When the junction temperature goes higher than the threshold, the embedded thermal regulation module can automatically reduce the output current to improve the system reliability. No need of inductor, transformer or other magnetic components. The system topology is simplified with few peripheral components, while also reducing the system BOM.

  • FEATURES
    • Wide range of TRIAC dimming compatibility

    • Supports front/back edge dimmer

    • System efficiency up to 84%

    • Supports to drive external current expansion chip to enhance the output power

    • Good Line regulation

    • Internal high voltage startup circuit

    • Saves VCC capacitor, low BOM cost

    • No magnetic components required

    • ±5% LED output current accuracy

    • LED current set by external resistor

    • Embedded thermal regulation function

    • Available in ESOP8 package

APPLICATIONS
  • GU10/E27/E14 LED bulb, LED filament lamp

  • LED downlight, LED ceiling lamp

  • Other LED lightings applications

  • qudongxinpianxianxingqudongxilie1400636pxMT7626.jpg