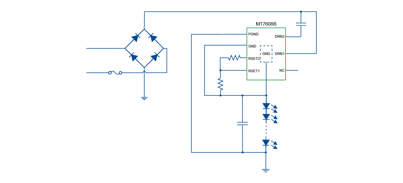
• DESCRIPTION

    MT7608B is a high efficiency, high PF (PF>0.7), linear LED driver with 108Vac ~ 265Vac wide input voltage range. The output constant current can be achieved by simple system structure with a few peripheral components, which greatly reduce the system cost.

    MT7608B integrates twin constant current control loops, which makes it can support 108Vac to 265Vac wide input voltage range.

    Embedded with high voltage power MOSFET, 2 diodes and JFET supply circuit, the peripheral circuit is further simplified.

    MT7608B integrates thermal regulation function to balance the output power and system temperature. The output current will be reduced while the junction temperature goes higher than the threshold, system reliability is guaranteed.

  • FEATURES
    • Embedded with high voltage power supply circuit

    • Integrates 700V power MOSFET

    • Supports wide input voltage range

    • High power factor (PF>0.7)

    • Few external components, low BOM cost, supports all SMD design

    • LED current can be set by external resistor

    • Embedded with thermal regulation function

    • Available in HSOP7package

APPLICATIONS
  • LED candle, filament lamp

  • LED Bulb, projection lamp

  • Other compact LED lightings

  • qudongxinpianxianxingqudongxilie1400636pxMT7608BH.jpg