MT7618N丨亿万28网页在线玩-亿万28入口网页版-亿万28网页版网址-亿万28赌博-亿万28下载链接-亿万网站pg-亿万e网址pg-亿万28赏金女王新欧标线性解决方案!
-
发布日期2020-08-10
-
浏览量6646次
据CSA Research对海关数据统计分析显示:2019年我国出口欧盟的LED照明产品共计32.85亿美元,占整体出口额20.6%。从数据可以看出欧盟是我国LED照明产品第二大海外市场,因此如何应对2021年9月1日欧盟对照明产品执行的新标准,是我们广大客户朋友首先要考虑的事项。
亿万28网页在线玩-亿万28入口网页版-亿万28网页版网址-亿万28赌博-亿万28下载链接-亿万网站pg-亿万e网址pg-亿万28赏金女王分析新标准主要变更项如下

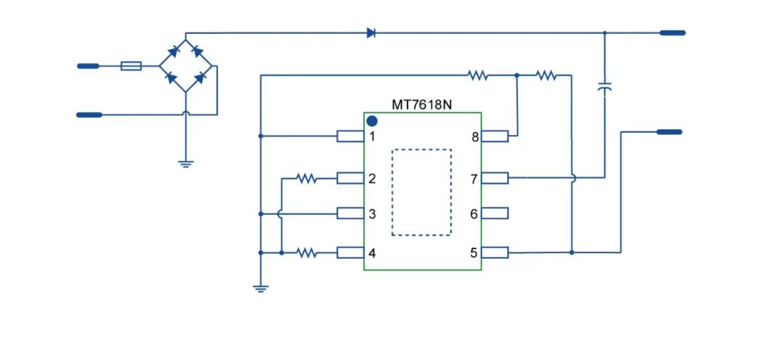
针对新欧盟标准,亿万28网页在线玩-亿万28入口网页版-亿万28网页版网址-亿万28赌博-亿万28下载链接-亿万网站pg-亿万e网址pg-亿万28赏金女王MT7618N和MT7619N应运而生。其中MT7618N是一款PF>0.7无频闪的线性解决方案,MT7619N是基于MT7618N内置整流桥的解决方案。





MT7618N产品目标应用于以下系列产品中









传导 230Vac N

230Vac CDN

推荐新闻
-
2022-09-14
重磅亮相 | 100W超快无线充电并集成18W反向发射的MT5785
-
2022-08-05
新时代、芯担当 | 亿万28网页在线玩-亿万28入口网页版-亿万28网页版网址-亿万28赌博-亿万28下载链接-亿万网站pg-亿万e网址pg-亿万28赏金女王亮相2022广州国际照明展览会
-
2022-07-04
亿万28网页在线玩-亿万28入口网页版-亿万28网页版网址-亿万28赌博-亿万28下载链接-亿万网站pg-亿万e网址pg-亿万28赏金女王推出全集成超低功耗光学接近检测传感器
-
2022-06-28
拆解报告 | 联想无线充电智能时钟2代,内置亿万28网页在线玩-亿万28入口网页版-亿万28网页版网址-亿万28赌博-亿万28下载链接-亿万网站pg-亿万e网址pg-亿万28赏金女王MT5811芯片
-
2022-06-24
亿万28网页在线玩-亿万28入口网页版-亿万28网页版网址-亿万28赌博-亿万28下载链接-亿万网站pg-亿万e网址pg-亿万28赏金女王推出高性能有线快充20W~65W整体解决方案